收藏本页校园通试用在线留言
我有资料要上传您的位置:网站首页>>试题中心>>物理试题>>物理试题汇编试题

2011年高考物理试题分类汇编——恒定电流

资料类别试题

试题汇编试题 

提供方式扣点

下载扣点2 (立即充值

教材版本无版本

使用学科物理

使用年级高三

上传人gkdlfw

更新时间2011-6-25

下载统计

评论(发表评论 报错收藏

| 更多

最新套卷

基本信息

 1(北京17)如图所示电路,电源内阻不可忽  

略。开关s闭合后,在变阻器r0的滑动端向下滑

动的过程中,         

a.电压表与电流表的示数都减小

b.电压表与电流表的小数都增大

c.电压表的示数增大,电流表的示数减小

d.电压表的示数减小,电流表的示数增大

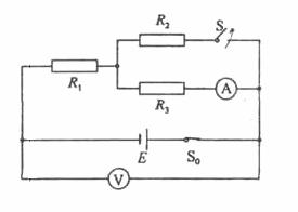
2(海南第2).如图,e为内阻不能忽略的电池,r1r2r3为定值电阻,s0s为开关,va分别为电压表与电流表。初始时s0s均闭合,现将s断开,则

a.       v的读数变大,a的读数变小

b.      v的读数变大,a的读数变大

c.     v的读数变小,a的读数变小

d.     v的读数变小,a的读数变大

解析:s开,相当于电阻变大,总电流减小,故端电压增大,v的读数变大,把r1归为内阻,则r3中的电压也增大,r3中的电流也增大,r3中的电压也增大,

3(2011上海第6).右表是某逻辑电路的真值表,该电路是

特邀主编老师 zdy@ks5u.com 点评:

查看所有评论网友评论


资源难易程度:★★★★★★★★★★★★★★

成套相关资源
下载过本资料的用户还下载过
一周排名
相关搜索