2011普通高校招生考试试题汇编-力学实验
1(2011安徽).为了测量某一弹簧的劲度系数,降该弹簧竖直悬挂起来,在自由端挂上不同质量的砝码。实验册除了砝码的质量m与弹簧长度l的相应数据,七对应点已在图上标出。(g=9.8m/s2)
(1)作出m-l的关系图线;
(2)弹簧的劲度系数为 n/m.


解析:ⅰ.(1)如图所示
(2)0.248~0.262
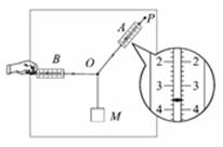
2(2011江苏).(8分)某同学用如图所示的实验装置来验证“力的平行四边形定则”。弹簧测力计a挂于固定点p,下端用细线挂一重物m。弹簧测力计b的一端用细线系于o点,手持另一端向左拉,使结点o静止在某位置。分别读出弹簧测力计a和b的示数,并在贴于竖直木板的白 记录o点的位置和拉线的方向。
(1)本实验用的弹簧测力计示数的单位为n,图中a的示数
为_______n。
(2)下列不必要的实验要求是_________。(请填写选项前对
应的字母)
(a)应测量重物m所受的重力
(b)弹簧测力计应在使用前校零
(c)拉线方向应与木板平面平行
(d)改变拉力,进行多次实验,每次都要使o点静止在同一位置
2解析:
资源难易程度:★★★★★★★★★★★★★★★
高考资源网版权所有 ©2005-2010
未经许可,盗用或转载本站资料者,本站将追究其法律责任!